General introduction
Applications: As a drive device of compressors, refrigerator remedy apparatus and machine tools etc
Features: High starting torque, low energy consumption. Cast iron or cast aluminum frames.The basic type is rated at 220V/50HZ. 110V/220V, 110V, 240V with 60Hz are also available
according to requirements
OPERATING CONDITIONS:Ambient temperature:-15°C<0<40°C
Altitude: Not exceeding 1000m
Rated voltage: 220V/110V
Rated frequency: 50Hz/60HZ
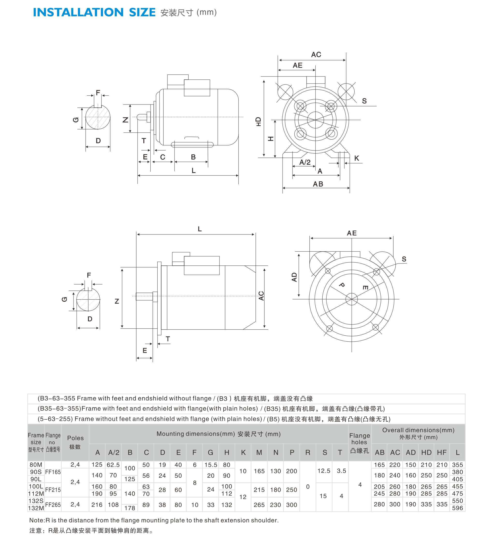
Overall & Installation Dimensions

Technical data

